
Sản phẩm Quạt ốp tường EX-25SH5T (cánh 25cm) của Mitsubishi Electric thích hợp sử dụng cho nhà ở, văn phòng, cửa hiệu, phòng khách & nhà bếp với các ưu điểm:
Miễn phí giao hàng tận nơi tại TP,HCM. Liên hệ Hotline: 0938 205 056
Mitsubishi không hổ là hãng điện tử chiều lòng người dùng, xuất phát từ việc đi sâu tìm hiểu tâm lý người dùng Mitsubishi cho ra mắt thị trường Quạt hút thông gió ốp tường Mitsubishi EX-25SH5T với những cải tiến mới ưng lòng người dùng.
![]() |
Bộ tụ điện Sử dụng vỏ kim loại và vật liệu chống cháy |
![]() |
Dây điện Tạo sự đáng tin cậy với lớp cách điện chống cháy |
![]() |
Thân máy Dễ dàng lắp đặt, bền hơn với lớp mạ không gỉ |
![]() |
Ống co Làm bằng vật liệu chống cháy để ngăn chặn tình trạng chập điện |
![]() |
Động cơ Động cơ khép kín để ngăn bụi và tạp chất bên ngoài |
![]() |
Cầu chì Tự động ngắt khi nhiêt độ tăng quá cao |
THIẾT KẾ CÁNH QUẠT PHỤ EXTRA FAN HOẠT ĐỘNG ÊM ÁI NHẸ NHÀNG
Trên cánh chính của quạt thông gió được thiết kế thêm một cánh quạt phụ giúp triệt tiêu hết các luồng khí nhiễu loạn trên quạt - nguyên nhân chính tạo ra tiếng ồn khi vận hành. Nhờ vậy, quạt thông gió Mitsubishi Electric hoạt động cực kì êm nhẹ.



THÁO LẮP DỄ DÀNG CHỈ BẰNG MỘT NÚT NHẤN
Thiết kế độc quyền, nút nhấn trên cánh quạt, tháo lắp được toàn bộ cánh quạt

THIẾT KẾ CÁNH LƯỢN WINGLET VẬN HÀNH ÊM - NÂNG CAO HIỆU SUẤT
Dựa trên nguyên tắc khí động học áp dụng cho thiết kế cánh máy bay, cánh lượn Winget giúp quạt thông gió giảm áp suất không khí tác động lên cánh quạt, giảm tiêu hao năng lượng của mô tơ nhưng vẫn tạo ra lưu lượng gió cao.


|
Tên Model |
Đơn vị |
EX-25SH5T |
|
Điện áp |
V |
220 |
|
Tần số |
Hz |
50 |
|
Hút / thổi |
|
Hút |
|
Dòng điện định mức |
A |
0.12 |
|
Tiêu thụ điện năng |
W |
25 |
|
Vòng quay/phút |
|
1.160 |
|
Lưu lượng gió |
m3/h |
930 |
|
CFM |
547 |
|
|
Độ ồn |
dB |
39 |
|
Trọng lượng |
kg |
2.5 |
|
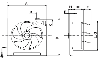
Tên Model |
EX-25SH5T |
|
A (mm) |
346 |
|
B (mm) |
170 |
|
C (mm) |
315 |
|
D (mm) |
370 |
|
E (mm) |
32 |
|
F (mm) |
57 |
|
G (mm) |
290 |
|
H (mm) |
50 |
|
Kích thước chừa lỗ (mm) |
300 |

Miễn phí lắp đặt và giao hàng tận nơi. Liên hệ Hotline: 0938 205 056
Đặt Hàng Online - Miễn Phí Giao Hàng Nhanh
Thời gian giao hàng & Lắp Đặt.
Đối với Khách Hàng ở TP HCM là trong ngày ( 24h )
Lưu ý: (Đối với các đơn hàng sau 15 giờ thì sẽ chuyển qua giao hàng & lắp đặt vào sáng hôm sau )
Đối với Khách Hàng ở Tỉnh/Thành khác là: 1-3 ngày làm việc.
| Quạt Trần | 300.000đ - 400.000đ ( Nếu lắp ở chung cư ) |
| Quạt Trần Đảo | 200.000đ - 300.000đ |
| Quạt Treo Tường | 70.000đ - 100.000đ |
| Máy Bơm Tăng Áp | 300.000đ - 400.000đ |
| Máy Bơm Đẩy Cao | 300.000đ - 400.000đ |
| Bát Quạt Trần | 100.000đ |
Chú ý: Phí lắp đặt chưa bao gồm nguyên vật liệu, phụ kiện lắp đặt. Để có giá chính xác vui lòng liên hệ Hotline hoặc Chat ngay để được tư vấn chính xác.
Quạt thông gió ốp tường Mitsubishi EX-25SH5T
Giá bán: 764.000₫





